Консультация. Переделка отопления.

Артем
Артем

Артем 01.02.2026 14:37:15

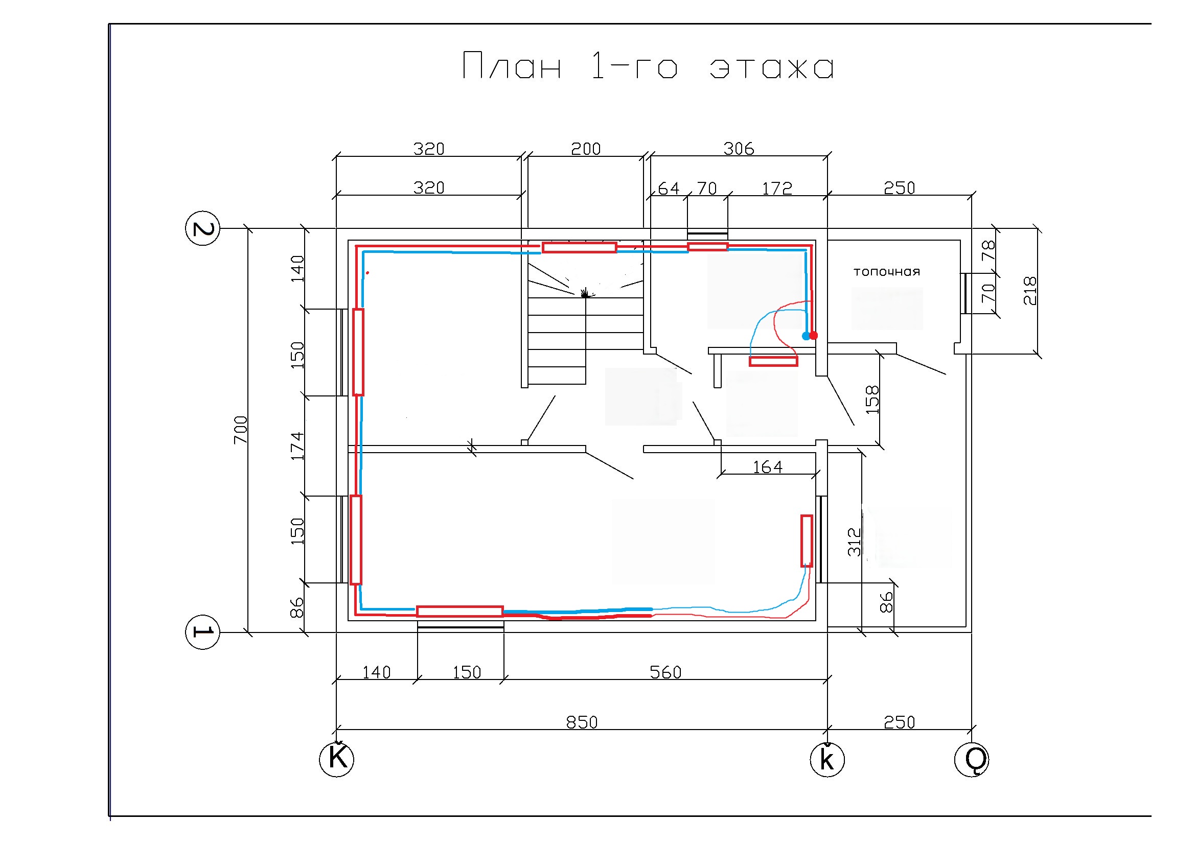
Добрый день, Владимир. Очень давно смотрю ваши работы. Меня зовут Артём. Имею 3 этажный дом. 150 м2 Горемонтажники 8 лет назад сделали родителям однотрубку, естественно которая нормально не работает. Сейчас переехал в этот дом жить я с семьей. И работа данной схемы не устраивает совсем. Имеется двухконтурный котел Шуфуто 24. Хотел переделать отопление с наименьшими затратами, так сказать усовершенствовать Магистраль вся 32 ппр. Разделено на 3 контура. Кадый контур идет отдельно. Возможно ли сделать двухтрубку тупиковую? Провести дополнительную трубу 32 ( имеется в достатке) и переделать котельную, как делаете вы с первичным кольцом.Сделать общий стояк на все 3 этажа как в многоквартирном доме. Запитать одним насосом. Только не знаю какой насос подобрать. Теплых полов нет. Имеются частотники 32-4. Очень надеюсь на ваше экспертное мнение. Спасибо

Артем
Артем

Артем 01.02.2026 14:38:13